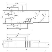
Calibration blocks are used to control and adjust ultrasonic probes and ultrasonic testers.
We offer you a wide range of calibration devices for test equipment and wall thickness gauges with which the necessary range adjustments and gain settings can be carried out.
Our calibration blocks are available in different thicknesses and materials so that they can also be used to assess echo displays.
By selecting "Accept all", you give us permission to use the following services on our website: YouTube, Vimeo. You can change the settings at any time (fingerprint icon in the bottom left corner). For further details, please see Individual configuration and our Privacy notice.
The settings you specify here are stored in the "local storage" of your device. The settings will be remembered for the next time you visit our online shop. You can change these settings at any time (fingerprint icon in the bottom left corner).
For more information on cookie lifetime and required essential cookies, please see the Privacy notice.
To view YouTube contents on this website,
you need to consent to the transfer of data and storage of third-party cookies by
YouTube (Google).
This allows us to improve your user experience and to make our
website better and more interesting.
Without your consent, no data will be transferred to YouTube.
However, you will also not be able to use the YouTube services on this website.
To view Vimeo contents on this website, you need to consent to the
transfer of data and storage of third-party cookies by Vimeo..
This allows us to improve your user
experience and to make our website better and more interesting.
Without your consent, no data will
be transferred to Vimeo. However, you will also not be able to use the Vimdeo services on this website.
Would you like to see these contents? Activate the desired contents for one session only or allow the website to remember these settings. Once you have given your consent, the third-party data can be loaded. For this, third-party cookies might be stored on your device. You can change these settings at any time (fingerprint icon in the bottom left corner). For further details, please see the Privacy notice.